ドラーフタイト工業株式会社
TOP > スリットン > 遮音試験結果

遮音性能試験結果

  • 遮音試験結果
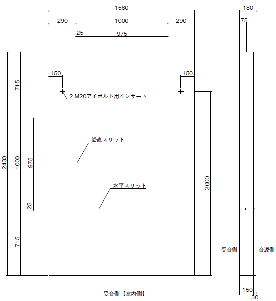
    • ● 音響透過損失試験【(財)ベターリビング 筑波建築試験センター】
      ● 試験方法:JIS A 1416:2000(実験室における建築部材の空気音遮断性能の測定方法)





      測定結果




      ●まとめ
      スリット材の有無による音響透過損失測定値の差は±2dBの範囲内であることを確認した。
  • 遮音性能

    • 1.住宅の品質確保の促進に関する法律に基づく告示1347号(平成14年4月1日施行)

        第5 評価方法の基準より抜粋
        8-3透過損失等級(界壁)
      等級
      透過損失の水準
      評価基準(抜粋)
      Rr - 55等級以上
      厚さが26cm以上の鉄筋コンクリート造、鉄骨鉄筋コンクリート若しくは鉄骨コンクリート造で普通コンクリートを用いたもの、又はこれらと同等の面密度を有する構造であること。
      Rr - 50等級以上
      厚さが18cm以上の鉄筋コンクリート造、鉄骨鉄筋コンクリート若しくは鉄骨コンクリート造で普通コンクリートを用いたもの、又はこれらと同等の面密度を有する構造であること。
      Rr - 45等級以上
      厚さが12cm以上の鉄筋コンクリート造、鉄骨鉄筋コンクリート若しくは鉄骨コンクリート造で普通コンクリートを用いたもの、又はこれらと同等の面密度を有する構造であること。
      令22条の3に定める
      透過損失
      建築基準法第30条の規定に適合していること。


      2.構造スリット施工管理マニュアル(社)建築業協会(2001年10月発行)より抜粋

      2.1.5遮音性能
      スリット部を含むコンクリート外周壁の遮音性能は、JIS A 4706(サッシ)の遮音等級T-2(旧 Ts-30)を有することとする。
       なお、適用部位が内壁の場合は、必要に応じてスリット部を含むコンクリート壁全体がJIS A 1419-1(建築物及び建築部材の遮音性能の評価方法-第1部:空気音遮断性能)の附属書1図1に 規定する等級曲線のDr-45及びDr-50の2段階のものを用いることとする。

      ※1 空気音遮断性能に関する単一数値評価量
         (JIS A 1419-1抜粋)
         この規格で規定する方法によって基準曲線を移動 させたときの500Hzにおける値。単位はデシベル(dB)。
      ※2 空気音遮断性能の等級の求め方
         (JIS A 1419-1附属書1抜粋)
         JIS A 1416の規定に従って測定された中心周波数 125Hz、500Hz、1000Hz及び2000Hzのオクターブ バンドごとの測定値を附属書1図1(下図)にプロッ トし、その値がすべての周波数帯域においてある曲線 を上回るとき、その最大の曲線につけられた数値によっ て遮音等級を表すものとする。ただし、各周波数帯域 において、測定結果が等級曲線の値より最大2dBま で下回ることを許容する。

       JIS A 1416の試験結果により、下図のようにプロットす ると空気音遮断性能の等級は、Dr-50相当となります。


      附属書1図1 空気音遮断性能の周波数特性と等級(等級曲線)


      スリットンの遮音性能は、スリット材の有無による比較試験を実施し、コンクリート壁の遮音性能にあたえる影響は極めて小さいことを確認した。
〒196-0022 東京都昭島市中神町2-21-9 
TEL.042(545)6002 FAX.042(545)6008
Copyright(C)DRAFTIGHT INDUSTRY CO.,LTD. All Rights Reserved.